Toyota CH-R Manual de Taller: Los espejos replegables eléctricos no funcionan con el interruptor de repliegue de los espejos eléctricos

Toyota CH-R Manual de Taller / Espejos Retrovisores (ext) / Sistema Eléctrico De Control De Los Retrovisores / Los espejos replegables eléctricos no funcionan con el interruptor de repliegue de los espejos eléctricos

DESCRIPCIÓN

El conjunto del interruptor del espejo retrovisor exterior envía una señal de repliegue/despliegue de los espejos a la ECU principal de la carrocería (ECU de la red múltiplex de la carrocería) cuando se acciona el interruptor de repliegue del espejo retrovisor exterior en el conjunto del interruptor del espejo retrovisor exterior. La ECU principal de la carrocería (ECU de la red múltiplex de la carrocería) repliega o despliega los conjuntos del espejo retrovisor exterior basándose en la señal.

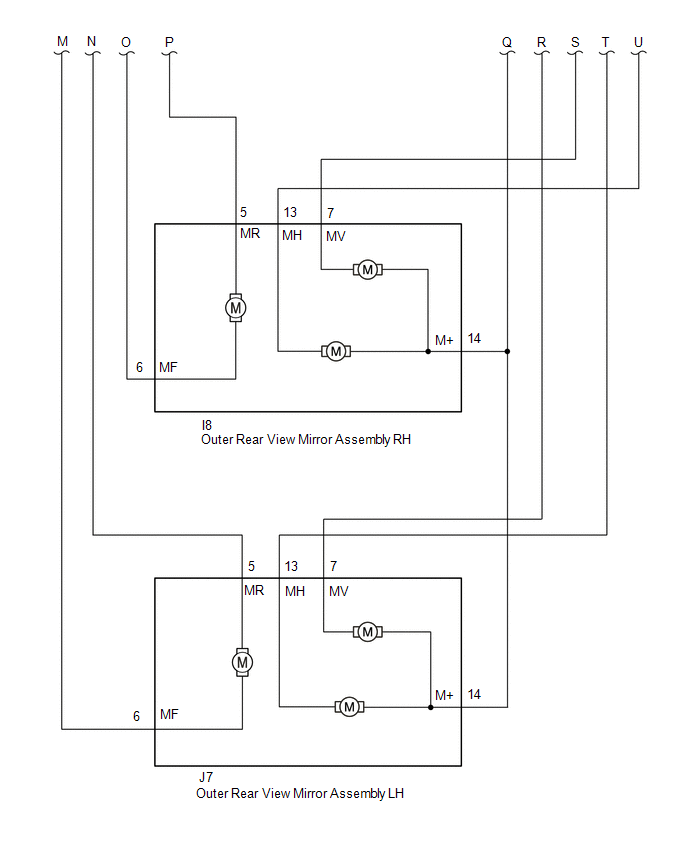
DIAGRAMA DE CONEXIONES

PRECAUCIÓN / AVISO / OBSERVACIÓN

AVISO:

  • Inspeccione los fusibles para los circuitos relacionados con este sistema antes de realizar el siguiente procedimiento.
  • Si la ECU principal de la carrocería (ECU de la red múltiplex de la carrocería) se sustituye, consulte el registro.*1

    Haga clic aquí

    • *1: Con sistema de llave inteligente

PROCEDIMIENTO

1.

LEA EL VALOR CON EL TECHSTREAM

(a) Conecte el Techstream al DLC3.

(b) Coloque el interruptor de encendido en la posición ON

(c) Encienda el Techstream.

(d) Acceda a los siguientes menús: Body Electrical / Main Body / Data List.

(e) Consulte la lista de datos siguiendo las indicaciones de la pantalla del Techstream.

Body Electrical > Main Body > Data List

Pantalla del tester

Elemento de medición

Margen

Estado normal

Nota de diagnóstico

Outer Mirror Fold SW

Señal del interruptor del espejo retrovisor exterior replegable

OFF u ON

OFF: Interruptor del espejo retrovisor exterior replegable apagado

ON: Interruptor del espejo retrovisor exterior replegable encendido

-

Body Electrical > Main Body > Data List

Pantalla del tester

Outer Mirror Fold SW

OK:

En la pantalla del Techstream, se visualizará ON u OFF según corresponda.

MAL

IR AL PUNTO 11

OK

2.

VERIFIQUE LAS PARTES AVERIADAS

(a) Revise las piezas averiadas.

Resultado:

Resultado

Vaya a

Los dos conjuntos de los espejos retrovisores exteriores tienen averías

A

El conjunto del espejo retrovisor exterior izquierdo tiene no funciona correctamente

B

El conjunto del espejo retrovisor exterior derecho no funciona correctamente

C

B

IR AL PUNTO 7

C

IR AL PUNTO 9

A

3.

INSPECCIONE EL RELÉ MIRROR(+)/MIRROR(-)

(a) Extraiga el relé MIRROR(+) del conjunto del bloque de relés n° 4.

(b) Inspeccione el relé MIRROR(-).

Haga clic aquí

(c) Extraiga el relé MIRROR(-) del conjunto del bloque de relés n° 4.

(d) Inspeccione el relé MIRROR(+).

Haga clic aquí

Resultado:

Resultado

Vaya a

OK

A

MAL (relé MIRROR(+))

B

MAL (relé MIRROR(-))

C

B

SUSTITUYA EL RELÉ MIRROR(+)

C

SUSTITUYA EL RELÉ MIRROR(-)

A

4.

INSPECCIONE EL MAZO DE CABLES Y EL CONECTOR (FUENTE DE ALIMENTACIÓN DEL RELÉ MIRROR(+)/MIRROR(-))

(a) Extraiga el relé MIRROR(+) del conjunto del bloque de relés n° 4.

*1

Conjunto del bloque de relés n° 4

*a

Terminales del relé MIRROR(+)

*b

Terminales del relé MIRROR(-)

(b) Extraiga el relé MIRROR(-) del conjunto del bloque de relés n° 4.

(c) Mida la tensión según los valores de la siguiente tabla.

Tensión estándar:

Conexión del tester

Estado

Valor especificado

Terminal 1 del relé MIRROR(+) del conjunto del bloque de relés n° 4 - Masa de la carrocería

Siempre

11 a 14 V

Terminal 1 del relé MIRROR(-) del conjunto del bloque de relés n° 4 - Masa de la carrocería

Siempre

11 a 14 V

Terminal 5 del relé MIRROR(+) del conjunto del bloque de relés n° 4 - Masa de la carrocería

Siempre

11 a 14 V

Terminal 5 del relé MIRROR(-) del conjunto del bloque de relés n° 4 - Masa de la carrocería

Siempre

11 a 14 V

(d) Mida la resistencia según los valores de la siguiente tabla.

Resistencia estándar:

Conexión del tester

Estado

Valor especificado

Terminal 4 del relé MIRROR(+) del conjunto del bloque de relés n° 4 - Masa de la carrocería

Siempre

Inferior a 1 Ω

Terminal 4 del relé MIRROR(-) del conjunto del bloque de relés n° 4 - Masa de la carrocería

Siempre

Inferior a 1 Ω

Terminal 4 del relé MIRROR(+) del conjunto del bloque de relés n° 4 - Terminal 4 del relé MIRROR(-) del conjunto del bloque de relés n° 4

Siempre

Inferior a 1 Ω

MAL

REPARE O SUSTITUYA EL MAZO DE CABLES O EL CONECTOR

OK

5.

INSPECCIONE EL MAZO DE CABLES Y EL CONECTOR (ECU PRINCIPAL DE LA CARROCERÍA (ECU DE LA RED MÚLTIPLEX DE LA CARROCERÍA) - RELÉ MIRROR(+)/MIRROR(-))

(a) Extraiga el relé MIRROR(+) del conjunto del bloque de relés n° 4.

*1

Conjunto del bloque de relés n° 4

*a

Terminales del relé MIRROR(+)

*b

Terminales del relé MIRROR(-)

(b) Extraiga el relé MIRROR(-) del conjunto del bloque de relés n° 4.

(c) Desconecte el conector F16 de la ECU principal de la carrocería (ECU de la red múltiplex de la carrocería).

(d) Mida la resistencia según los valores de la siguiente tabla.

Resistencia estándar:

Conexión del tester

Estado

Valor especificado

Terminal 2 del relé MIRROR(-) del conjunto del bloque de relés n° 4 - F16-19 (RETR)

Siempre

Inferior a 1 Ω

Terminal 2 del relé MIRROR(+) del conjunto del bloque de relés n° 4 - F16-20 (RTRR)

Siempre

Inferior a 1 Ω

Terminal 2 del relé MIRROR(-) del conjunto del bloque de relés n° 4 o F16-19 (RETR) - Masa de la carrocería

Siempre

10 kΩ o superior

Terminal 2 del relé MIRROR(+) del conjunto del bloque de relés n° 4 o F16-20 (RTRR) - Masa de la carrocería

Siempre

10 kΩ o superior

MAL

REPARE O SUSTITUYA EL MAZO DE CABLES O EL CONECTOR

OK

6.

INSPECCIONE EL MAZO DE CABLES Y EL CONECTOR (CONJUNTO DEL ESPEJO RETROVISOR EXTERIOR IZQUIERDO/DERECHO- RELÉ MIRROR(+)/MIRROR(-))

(a) Extraiga el relé MIRROR(+) del conjunto del bloque de relés n° 4.

*1

Conjunto del bloque de relés n° 4

*a

Terminales del relé MIRROR(+)

*b

Terminales del relé MIRROR(-)

(b) Extraiga el relé MIRROR(-) del conjunto del bloque de relés n° 4.

(c) Desconecte el conector J7 del conjunto del espejo retrovisor exterior izquierdo.

(d) Desconecte el conector I8 del conjunto del espejo retrovisor exterior derecho.

(e) Mida la resistencia según los valores de la siguiente tabla.

Resistencia estándar:

Conexión del tester

Estado

Valor especificado

Terminal 3 del relé MIRROR(-) del conjunto del bloque de relés n° 4 - I8-5 (MR)

Siempre

Inferior a 1 Ω

Terminal 3 del relé MIRROR(-) del conjunto del bloque de relés n° 4 - J7-5 (MR)

Siempre

Inferior a 1 Ω

Terminal 3 del relé MIRROR(+) del conjunto del bloque de relés n° 4 - I8-6 (MF)

Siempre

Inferior a 1 Ω

Terminal 3 del relé MIRROR(+) del conjunto del bloque de relés n° 4 - J7-6 (MF)

Siempre

Inferior a 1 Ω

Terminal 3 del relé MIRROR(-) del conjunto del bloque de relés n° 4 o I8-5 (MR) - Masa de la carrocería

Siempre

10 kΩ o superior

Terminal 3 del relé MIRROR(-) del conjunto del bloque de relés n° 4 o J7-5 (MR) - Masa de la carrocería

Siempre

10 kΩ o superior

Terminal 3 del relé MIRROR(+) del conjunto del bloque de relés n° 4 o I8-6 (MF) - Masa de la carrocería

Siempre

10 kΩ o superior

Terminal 3 del relé MIRROR(+) del conjunto del bloque de relés n° 4 o J7-6 (MF) - Masa de la carrocería

Siempre

10 kΩ o superior

OK

SUSTITUYA LA ECU PRINCIPAL DE LA CARROCERÍA (ECU DE LA RED MÚLTIPLEX DE LA CARROCERÍA)

MAL

REPARE O SUSTITUYA EL MAZO DE CABLES O EL CONECTOR

7.

INSPECCIONE EL CONJUNTO DEL ESPEJO RETROVISOR EXTERIOR IZQUIERDO

(a) Extraiga el conjunto del espejo retrovisor exterior izquierdo.

Haga clic aquí

(b) Inspeccione el conjunto del espejo retrovisor exterior izquierdo.

Haga clic aquí

MAL

SUSTITUYA EL CONJUNTO DEL ESPEJO RETROVISOR EXTERIOR IZQUIERDO

OK

8.

INSPECCIONE EL MAZO DE CABLES Y EL CONECTOR (RELÉ MIRROR(+)/MIRROR(-) - CONJUNTO DEL ESPEJO RETROVISOR EXTERIOR IZQUIERDO)

(a) Extraiga el relé MIRROR(+) del conjunto del bloque de relés n° 4.

*1

Conjunto del bloque de relés n° 4

*a

Terminales del relé MIRROR(-)

*b

Terminales del relé MIRROR(+)

(b) Extraiga el relé MIRROR(-) del conjunto del bloque de relés n° 4.

(c) Desconecte el conector J7 del conjunto del espejo retrovisor exterior izquierdo.

(d) Mida la resistencia según los valores de la siguiente tabla.

Resistencia estándar:

Conexión del tester

Estado

Valor especificado

Terminal 3 del relé MIRROR(-) del conjunto del bloque de relés n° 4 - J7-5 (MR)

Siempre

Inferior a 1 Ω

Terminal 3 del relé MIRROR(+) del conjunto del bloque de relés n° 4 - J7-6 (MF)

Siempre

Inferior a 1 Ω

Terminal 3 del relé MIRROR(-) del conjunto del bloque de relés n° 4 o J7-5 (MR) - Masa de la carrocería

Siempre

10 kΩ o superior

Terminal 3 del relé MIRROR(+) del conjunto del bloque de relés n° 4 o J7-6 (MF) - Masa de la carrocería

Siempre

10 kΩ o superior

OK

INSPECCIONE CON EL MÉTODO DE SIMULACIÓN

MAL

REPARE O SUSTITUYA EL MAZO DE CABLES O EL CONECTOR

9.

INSPECCIONE EL CONJUNTO DEL ESPEJO RETROVISOR EXTERIOR DERECHO

(a) Extraiga el conjunto del espejo retrovisor exterior derecho.

Haga clic aquí

(b) Inspeccione el conjunto del espejo retrovisor exterior derecho.

Haga clic aquí

MAL

SUSTITUYA EL CONJUNTO DEL ESPEJO RETROVISOR EXTERIOR DERECHO

OK

10.

INSPECCIONE EL MAZO DE CABLES Y EL CONECTOR (RELÉ MIRROR(+)/MIRROR(-) - CONJUNTO DEL ESPEJO RETROVISOR EXTERIOR DERECHO)

(a) Extraiga el relé MIRROR(+) del conjunto del bloque de relés n° 4.

*1

Conjunto del bloque de relés n° 4

*a

Terminales del relé MIRROR(-)

*b

Terminales del relé MIRROR(+)

(b) Extraiga el relé MIRROR(-) del conjunto del bloque de relés n° 4.

(c) Desconecte el conector I8 del conjunto del espejo retrovisor exterior derecho.

(d) Mida la resistencia según los valores de la siguiente tabla.

Resistencia estándar:

Conexión del tester

Estado

Valor especificado

Terminal 3 del relé MIRROR(-) del conjunto del bloque de relés n° 4 - I8-5 (MR)

Siempre

Inferior a 1 Ω

Terminal 3 del relé MIRROR(+) del conjunto del bloque de relés n° 4 - I8-6 (MF)

Siempre

Inferior a 1 Ω

Terminal 3 del relé MIRROR(-) del conjunto del bloque de relés n° 4 o I8-5 (MR) - Masa de la carrocería

Siempre

10 kΩ o superior

Terminal 3 del relé MIRROR(+) del conjunto del bloque de relés n° 4 o I8-6 (MF) - Masa de la carrocería

Siempre

10 kΩ o superior

OK

INSPECCIONE CON EL MÉTODO DE SIMULACIÓN

MAL

REPARE O SUSTITUYA EL MAZO DE CABLES O EL CONECTOR

11.

INSPECCIONE EL CONJUNTO DEL INTERRUPTOR DEL ESPEJO RETROVISOR EXTERIOR

(a) Extraiga el conjunto del interruptor del espejo retrovisor exterior

Haga clic aquí

(b) Inspeccione el conjunto del interruptor del espejo retrovisor exterior.

Haga clic aquí

MAL

CAMBIE EL CONJUNTO DEL INTERRUPTOR DEL ESPEJO RETROVISOR EXTERIOR

OK

12.

INSPECCIONE EL MAZO DE CABLES Y EL CONECTOR (CONJUNTO DEL INTERRUPTOR DEL ESPEJO RETROVISOR EXTERIOR - ECU PRINCIPAL DE LA CARROCERÍA (ECU DE LA RED MÚLTIPLEX DE LA CARROCERÍA))

(a) Desconecte el conjunto del interruptor del espejo retrovisor exterior J10.

(b) Desconecte el conector F16 de la ECU principal de la carrocería (ECU de la red múltiplex de la carrocería).

(c) Mida la resistencia según los valores de la siguiente tabla.

Resistencia estándar:

Conexión del tester

Estado

Valor especificado

J10-2 (MR) - F16-14 (RET)

Siempre

Inferior a 1 Ω

J10-4 (MAT) - F16-15 (RTR)

Siempre

Inferior a 1 Ω

J10-2 (MR) o F16-14 (RET) - Masa de la carrocería

Siempre

10 kΩ o superior

J10-4 (MAT) o F16-15 (RTR) - Masa de la carrocería

Siempre

10 kΩ o superior

J10-5 (E) - Masa de la carrocería

Siempre

Inferior a 1 Ω

OK

SUSTITUYA LA ECU PRINCIPAL DE LA CARROCERÍA (ECU DE LA RED MÚLTIPLEX DE LA CARROCERÍA)

MAL

REPARE O SUSTITUYA EL MAZO DE CABLES O EL CONECTOR

    El interruptor AUTO de repliegue de los espejos retrovisores no funciona
    DESCRIPCIÓN El conjunto del interruptor del espejo retrovisor exterior envía una señal de repliegue/despliegue automático de los espejos a la ECU principal de la carrocería (ECU de la red m ...

    Guarnición / Paneles Exteriores
    ...

    Otros materiales:

    Toyota CH-R Manual de Taller > Conjunto De Las Luces Combinadas Traseras (para El Tipo De Led): Inspección
    INSPECCIÓN PROCEDIMIENTO 1. INSPECCIONE EL CONJUNTO DE LAS LUCES COMBINADAS TRASERAS IZQUIERDAS (a) Aplique tensión de la batería al conjunto de luces combinadas traseras izquierdas y compruebe si se enciende la luz. OK: Estado Valor espe ...

    Toyota CH-R Manual de Taller > Iluminación (ext): Conjunto De Las Luces Traseras (para El Tipo De Led)
    Componentes COMPONENTES ILUSTRACIÓN *1 CONJUNTO DE LAS LUCES TRASERAS *2 EMPAQUETADURA DE LA LUZ TRASERA ● Pieza no reutilizable - - ExtracciÓn EXTRACCIÓN PRECAUCIÓN / AVISO / OBS ...

    Toyota C-HR (AX20) 2023-2026 Manual del propetario

    Toyota CH-R Manual del propetario

    Toyota CH-R Manual de Taller

    © 2017-2026 www.tochres.com
    0.0097