Toyota CH-R Manual de Taller: Circuito de las luces interiores

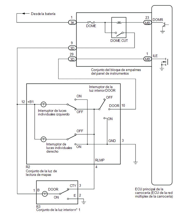
DESCRIPCIÓN

La ECU principal de la carrocería (ECU de la red múltiplex de la carrocería) controla el funcionamiento de las luces siguientes:

  • Conjunto de la luz de lectura de mapas
  • Conjunto de la luz interior n° 1

DIAGRAMA DE CONEXIONES

PRECAUCIÓN / AVISO / OBSERVACIÓN

AVISO:

  • Inspeccione los fusibles para los circuitos relacionados con este sistema antes de realizar el siguiente procedimiento.
  • Antes de sustituir la ECU principal de la carrocería (ECU de la red múltiplex de la carrocería), consulte Registro*1.

    Haga clic aquí

    • *1: Con sistema de llave inteligente

OBSERVACIÓN:

El relé DOME CUT suministra alimentación a las luces interiores. Si no se encienden ninguna de las luces que utilizan potencia procedente del relé DOME CUT, compruebe en primer lugar el circuito de corte automático de las luces individuales.

Haga clic aquí

PROCEDIMIENTO

1.

REALICE LA PRUEBA ACTIVA CON EL TECHSTREAM

(a) Conecte el Techstream al DLC3.

(b) Coloque el interruptor de encendido en posición ON.

(c) Encienda el Techstream.

(d) Acceda a los siguientes menús: Body Electrical / Main Body / Active Test.

(e) Realice la prueba activa basándose en los datos de la pantalla del Techstream.

Body Electrical > Main Body > Active Test

Pantalla del tester

Elemento de medición

Rango de control

Nota de diagnóstico

Illuminated Entry System

Enciende las luces que son controladas por el sistema de iluminación de entrada al vehículo.*

ON u OFF

-

  • *: Consulte Descripción del sistema para obtener información sobre las luces que controla el sistema de iluminación de entrada al vehículo.

    Haga clic aquí

Body Electrical > Main Body > Active Test

Pantalla del tester

Illuminated Entry System

OK:

Se encienden todas las luces que controla el sistema de iluminación de entrada al vehículo.

OK

CONTINÚE CON LA SIGUIENTE ÁREA POSIBLEMENTE AFECTADA, TAL COMO SE MUESTRA EN LA TABLA DE SÍNTOMAS DE PROBLEMAS

MAL

2.

INSPECCIONE EL CONJUNTO DE LA LUZ DE LECTURA DE MAPAS

(a) Extraiga el conjunto de la luz de lectura de mapas.

Haga clic aquí

(b) Inspeccione el conjunto de la luz de lectura de mapas.

Haga clic aquí

MAL

SUSTITUYA EL CONJUNTO DE LA LUZ DE LECTURA DE MAPAS

OK

3.

INSPECCIONE EL MAZO DE CABLES Y EL CONECTOR (LUZ DE LECTURA DE MAPAS - CONJUNTO DE LA LUZ INTERIOR N° 1)

(a) Mida la resistencia según los valores de la siguiente tabla.

Resistencia estándar:

Conexión del tester

Estado

Valor especificado

R2-12 (+B1) - R2-4 (RLMP)

Interruptor de las luces interiores n° 1 en posición DOOR

Inferior a 1 Ω

Interruptor de las luces interiores n° 1 en posición ACTIVADO

10 kΩ o superior

R2-12 (+B1) o R2-4 (RLMP) - Masa de la carrocería

Interruptor de las luces interiores n° 1 en posición DOOR

10 kΩ o superior

MAL

SUSTITUYA EL CONJUNTO DE LA LUZ INTERIOR N° 1

OK

4.

VERIFIQUE EL ARNÉS Y EL CONECTOR (RELÉ DE CORTE DEL DOMO - CONJUNTO DE LA LUZ DE LECTURA DE MAPAS)

(a) Mida la tensión según los valores de la siguiente tabla.

Tensión estándar:

Conexión del tester

Estado

Valor especificado

R2-12 (+B1) - Masa de la carrocería

Función de ahorro de batería no funciona

11 a 14 V

MAL

REPARE O SUSTITUYA EL MAZO DE CABLES O EL CONECTOR

OK

5.

INSPECCIONE EL MAZO DE CABLES Y EL CONECTOR (CONJUNTO DE LA LUZ DE LECTURA DE MAPAS - CONJUNTO DEL BLOQUE DE EMPALMES DEL PANEL DE INSTRUMENTOS)

(a) Desconecte el conector 3D del conjunto del bloque de empalmes del panel de instrumentos.

(b) Mida la resistencia según los valores de la siguiente tabla.

Resistencia estándar:

Conexión del tester

Estado

Valor especificado

R2-10 (DOOR) - 3D-29

Siempre

Inferior a 1 Ω

R2-10 (DOOR) o 3D-29 - Masa de la carrocería

Siempre

10 kΩ o superior

MAL

REPARE O SUSTITUYA EL MAZO DE CABLES O EL CONECTOR

OK

6.

INSPECCIONE EL CONJUNTO DEL BLOQUE DE EMPALMES DEL PANEL DE INSTRUMENTOS

(a) Extraiga el conjunto del bloque de empalmes del panel de instrumentos.

Haga clic aquí

(b) Extraiga la ECU principal de la carrocería (ECU de la red múltiplex de la carrocería) del conjunto del bloque de empalmes del panel de instrumentos.

Haga clic aquí

(c) Mida la resistencia según los valores de la siguiente tabla.

*a

Componente no conectado al mazo de cables

(Conjunto del bloque de empalmes del panel de instrumentos)

-

-

Resistencia estándar:

Conexión del tester

Estado

Valor especificado

3D-29 - MB-1 (ILE)

Siempre

Inferior a 1 Ω

OK

SUSTITUYA LA ECU PRINCIPAL DE LA CARROCERÍA (ECU DE LA RED MÚLTIPLEX DE LA CARROCERÍA)

MAL

SUSTITUYA EL CONJUNTO DEL BLOQUE DE EMPALMES DEL PANEL DE INSTRUMENTOS

    Circuito de las luces de ambiente
    DESCRIPCIÓN La ECU principal de la carrocería (ECU de la red múltiplex de la carrocería) controla las luces ambientales. DIAGRAMA DE CONEXIONES PRECAUCIÓN / AVISO / OBSERVACIÓN AVISO: ...

    Circuito de iluminación del interruptor del motor
    DESCRIPCIÓN El sistema de iluminación de entrada al vehículo controla la iluminación del interruptor del motor. DIAGRAMA DE CONEXIONES PRECAUCIÓN / AVISO / OBSERVACIÓN AVISO: Antes de s ...

    Otros materiales:

    Toyota CH-R Manual de Taller > Sistema De Airbag: Conjunto del sensor del airbag lateral n° 2 (izquierdo) (B163A/3A)
    DESCRIPCIÓN El circuito del sensor de colisión lateral izquierdo (bus 2) está compuesto por el conjunto del sensor del airbag y el sensor del airbag lateral izquierdo del suelo. El sensor del airbag lateral izquierdo del suelo detecta los impactos contra el vehículo y envía señales al co ...

    Toyota CH-R Manual de Taller > Sistema De Supervisión De Punto Ciego: Circuito abierto o cortocircuito a GND en el avisador acústico (C1ABE)
    DESCRIPCIÓN El DTC C1ABE se memorizará cuando el sensor de supervisión de punto ciego derecho (esclavo) detecte un cortocircuito a masa o un circuito abierto en el circuito del avisador acústico de RCTA (avisador acústico de supervisión de punto ciego). N ...

    Toyota C-HR (AX20) 2023-2025 Manual del propetario

    Toyota CH-R Manual del propetario

    Toyota CH-R Manual de Taller

    © 2017-2025 www.tochres.com
    0.0087