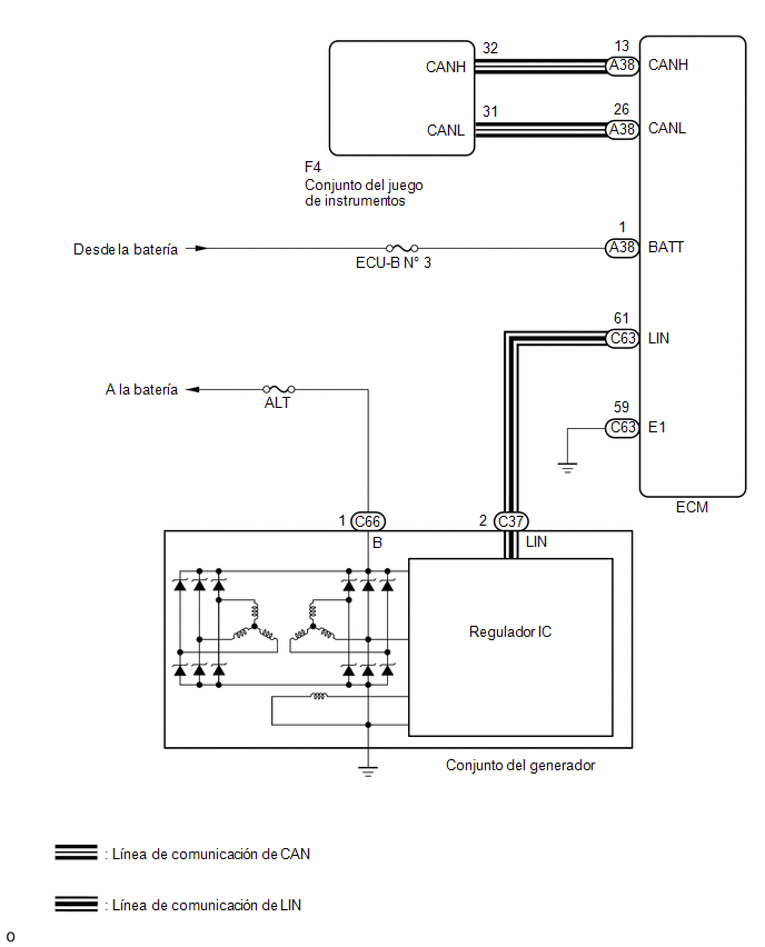
DIAGRAMA DEL SISTEMA

Cómo Proceder A La Localización De Averías
Tabla De Síntomas De ProblemasToyota CH-R Manual de Taller > Moldura De Los Arcos De Las Ruedas (para La Parte Trasera): Extracción
EXTRACCIÓN
PRECAUCIÓN / AVISO / OBSERVACIÓN
OBSERVACIÓN:
Siga el mismo procedimiento en los lados derecho e izquierdo.
El procedimiento que se explica a continuación corresponde al lado izquierdo.
PROCEDIMIENTO
1. EXTRAIGA LA MOLDURA EXTERIOR LATERAL TRASERA
OBSERVACI ...
Toyota CH-R Manual de Taller > Sistema De Control De Estabilidad Del Vehículo: Avería en el sistema de mando del motor (C1201)
DESCRIPCIÓN
Si se detecta una avería en el sistema SFI, la función a prueba de fallos impide
el funcionamiento del VSC y del TRAC. Cuando las señales provenientes del motor
se reciben normalmente, el control a prueba de fallos se cancela.
N° de DTC
Elemento detectado ...